网站首页
中心介绍
中心介绍
组织机构
职业培训服务
职业技能鉴定服务
中心动态
培训快讯
新闻公告
政策动态
专项评测
评测考核
培训教程
职业技能标准
人才服务
招生信息
就业信息
信息公开
新闻动态
通知公告
职业分类
国外证书
培训信息
中心培训
地方培训
培训研究
领导讲话
政策法规
理论信息
学习园地
考生专栏
就业指导
学生问答
新证书查询
证书查询
证书申报
详情
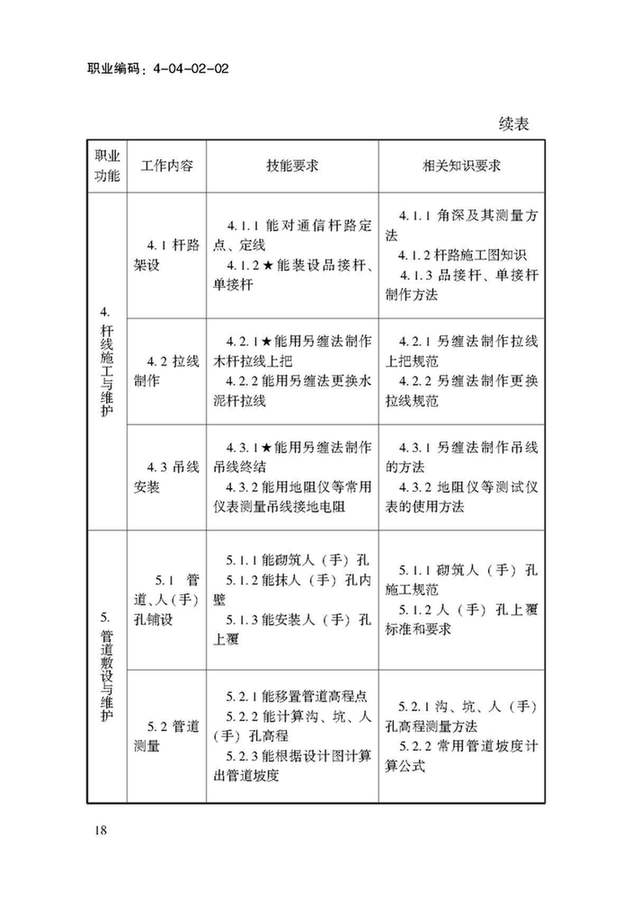
国家职业技能标准——信息通信网络线务员